Cảm biến áp suất Sensys SIG hay có thể nói đây là đồng hồ áp suất điện tử cũng không quá sai. Ngoài ra đồng hồ còn được thiết kế đặc biệt và chứng nhận chống cháy nổ giúp sản phẩm thích hợp dùng cho nhiều hệ thống khác nhau, nhất là trong các cơ sở PCCC.
1. Thương hiệu nổi tiếng Sensys của Hàn Quốc
Thương hiệu cảm biến Sensys bắt đầu hoạt động kinh doanh năm 1998, công ty này đã phát triển đều đặn thành công ty đặc biệt về Cảm biến áp suất và Linh kiện điều khiển. Sensys đã được biết đến với một công ty hàng đầu của Hàn Quốc trong lĩnh vực này, luôn trung thành với sứ mệnh cung cấp cảm biến áp suất (trong đó có cảm biến áp suất Sensys SIG), cảm biến mức, cảm biến nhiệt độ chỉ số kỹ thuật số cho các ngành công nghiệp khác nhau. Sensys nỗ lực hết mình để khách hàng hài lòng, sẽ không ngừng nỗ lực nghiên cứu và phát triển.

2. Cảm biến áp suất Sensys SIG
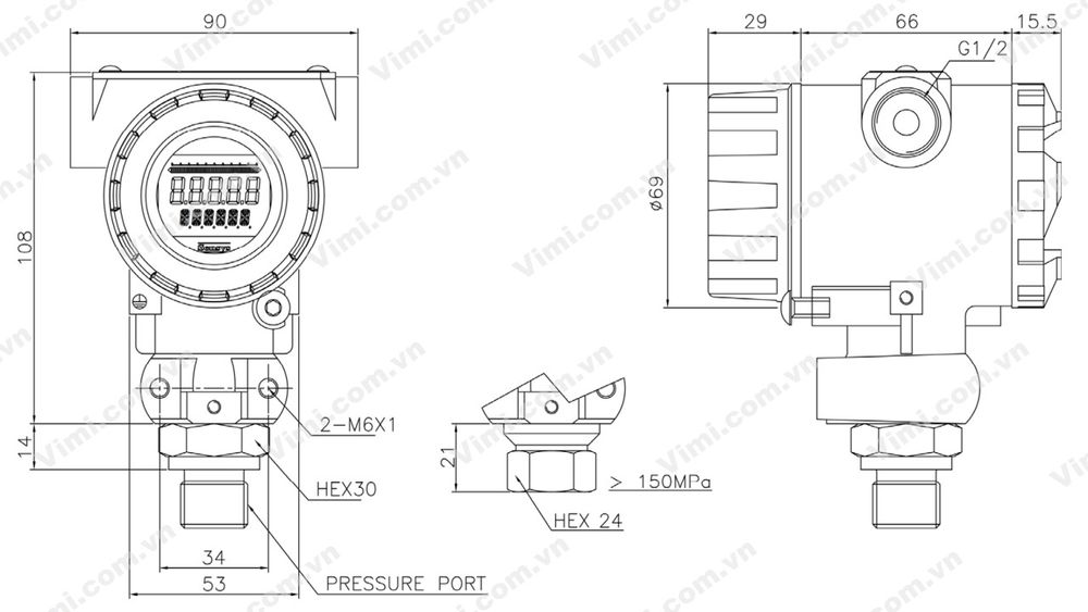
Cảm biến áp suất Sensys SIG có bằng chứng nhận chống cháy nổ (Ex d IIC T6) và chống nước (IP67), chúng không hoạt động cho khu vực nguy hiểm và tại nơi đó bắt buộc phải được chống thấm nước. Với màn hình LCD có đèn nền 4-1/2 chữ số, nó không chỉ có thể hiển thị lên đến ± 19999 mà còn có thể nhìn thấy từ nơi tối. Các chức năng của nó, đầu ra Analog, đầu ra rơ le và giao tiếp RS-485, bộ chuyển đổi đơn vị áp suất và điều chỉnh thang đo có thể được sử dụng với nhiều bộ điều khiển.
Đặc trưng
- Chứng nhận CE
- Phê duyệt chống cháy nổ đối với Ex d IIC T6, IP67
- Màn hình LCD có đèn nền 4 1/2 chữ số
- Mạch khuếch đại tích hợp (VDC, mA)
- Đầu ra Relay 2 kênh tùy chọ
- Đầu ra RS485 tùy chọn
- Dải đo -0,1 ~ 500MPa
- Độ chính xác 0,2 / 0,5% FS
Các ứng dụng
- Kiểm soát và giám sát quy trình
- Thủy lực & khí nén
- Hóa chất & hóa dầu
- Đo mức chất lỏng
- Thực phẩm & Dược phẩm
- Đường ống dẫn khí
- Giám sát tiện ích nhà máy

3. Thông số kỹ thuật của cảm biến
Lựa chọn sản phẩm sao cho phù hợp, đúng thông số chi định và cần thiết là một bước rất quan trọng đối với quý khách. Tất nhiên, trong số đó có cả cảm biến áp suất Sensys SIG.
℘ Cấp chính xác:
- 0.2%FS
- 0.5%FS
℘ Dải đo:
- 0.2%FS
- 0~5kPa…70MPa(Gauge)
- -100kPa~0…70MPa(Gauge)
- 0~35kPa…70MPa(Absolute)
- 0.5%FS
- 0~71…500MPa(Gauge)
℘ Phạm vi nhiệt đô bù: -20~60℃
℘ Nhiệt độ làm viêc: -40~120℃
℘ Kiểu kết nối điện: G(PF) 1/2″
℘ Vật liệu chế tạo thân chống thấm nước:
- SS316L + VITON
- SS316L + Ti 87%

4. Hãy luôn đảm bảo những điều sau để cảm biến hoạt động tốt nhất
Mỗi một thiết bị bất kỳ đều có tuổi thọ – giới hạn sử dụng của riêng chúng. Cảm biến áp suất Sensys SIG cũng vậy, để sản phẩm có thể luôn hoạt động ở trạng thái tốt nhất, quý khách hãy chú ý những điều sau.
1. Không áp dụng nhiều hơn áp suất định mức Có nguy cơ làm hỏng sản phẩm.
2. Đảm bảo sử dụng nó trong phạm vi thông số kỹ thuật, nó có thể làm giảm tuổi thọ của sản phẩm và có thể gây cháy.
3. Không để bụi hoặc mảnh vụn dây điện xâm nhập vào sản phẩm. Có nguy cơ làm hỏng sản phẩm.
4. Sau khi kiểm tra cực tính của thiết bị đo lường, kết nối dây chính xác. Có nguy cơ làm hỏng sản phẩm.
5. Không sử dụng trong môi trường ăn mòn vì có thể làm giảm tuổi thọ của sản phẩm và có thể gây hư hỏng.

5. Hàng nhập chính hãng với số lượng lớn
Để có thể đáp ứng nhu cầu sử dụng sản phẩm cho mọi quý khách. Chúng tôi chuyên phân phối các thiết bị đo khác nhau từ đồng hồ áp suất cho đến nhiệt độ, hay lưu lượng nước. Và tất nhiên, chúng ta không thể bỏ qua cảm biến áp suất, một thiết bị tiện lợi hơn rất nhiều so với đồng hồ, giúp truyền thông tin trục tiếp về màn hình chính của hệ thống. Trong số các hãng nổi tiếng từ toàn cầu, Vimi chúng tôi chọn phân phối Sensys của Hàn Quốc với nhiều model khác nhau. Đặc biệt hơn, cảm biến áp suất Sensys SIG được nhập kho với số lượng lớn, đa dạng dải đo khác nhau. Đầy đủ COCQ, bảo hành 12 tháng.












Đánh giá
Chưa có đánh giá nào.