Komax nước thải là đồng hồ nước chuyên dụng trong môi trường nước thải. Đồng hồ với thiết kế đặc biệt, đảm bảo hoạt động ổn định và bền bỉ theo thời gian.
1. Đặc điểm đồng hồ Komax nước thải
Thuộc chủng loại: Đồng hồ nước thải

Komax nước thải có thiết kế chuyên biệt cho phép nó hoạt động ổn định trong môi trường nước thải. Với bộ phận cánh quạt được đặt ở vị trí cao, đồng hồ đảm bảo quá trình làm việc ổn định, trơn tru và tránh hư hại khi tiếp xúc với rác thải. Bộ phận cánh quạt cũng được chế tạo từ những vật liệu nhẹ như nhựa ABS, có khả năng kháng hóa chất tốt.
Mặt số của đồng hồ nước thải Komax được thiết kế rõ nét và sử dụng công nghệ hút chân không. Giúp đảm bảo cách ly hoàn toàn với nước và được bảo vệ bởi nắp đậy. Điều này giúp tránh tác động tiêu cực của nước và môi trường bên ngoài, đồng thời ngăn ngừa việc ố vàng, kẹt số của các chi tiết.
Đồng hồ nước Komax có độ bền và tuổi thọ cao, được thiết kế với kiểu nối bích chắc chắn. Vì thế, có khả năng chịu được những rung lắc nhẹ từ hệ thống, đồng thời hạn chế rò rỉ.
Với những đặc điểm nổi bật như vậy, Komax nước thải là một lựa chọn đáng tin cậy để giám sát và đo lường lưu lượng nước thải
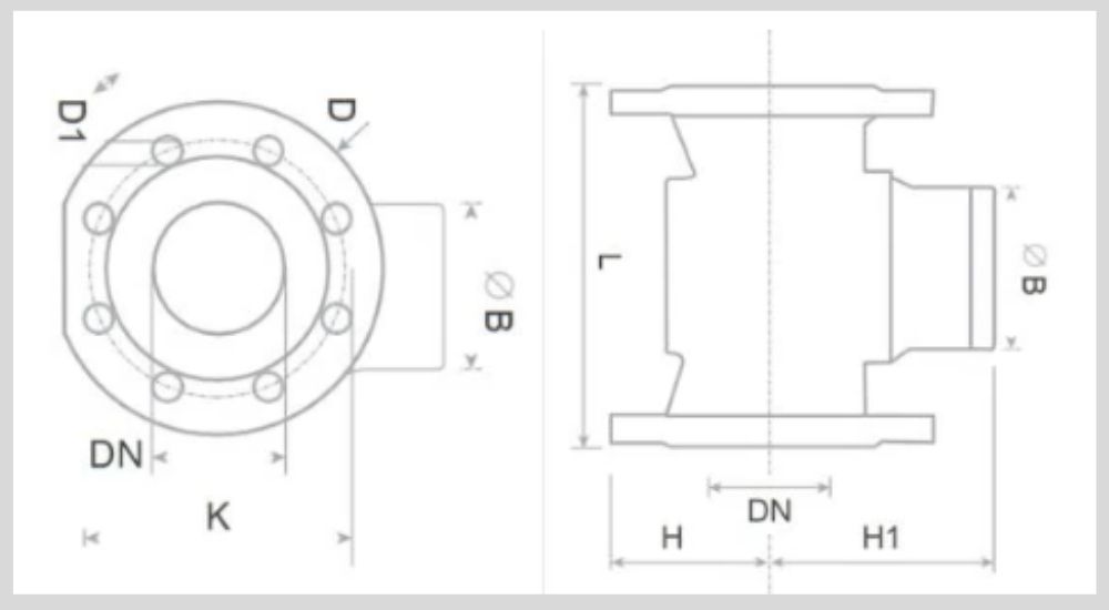
2. Thông số kĩ thuật

| Meter size Dia DN (mm) | Width B Connecting Flange
| Weight kg | ||
| mm | Bolt Circle dia D1 (mm) | Connecting Bolt dia (Pcs) | ||
| 50 | 175 | 125 | 4 x M16 | 12 |
| 65 | 180 | 145 | 4 x M16 | 13 |
| 80 | 200 | 160 | 8 x M16 | 15 |
| 100 | 220 | 180 | 8 x M16 | 19 |
| 125 | 245 | 210 | 8 x M16 | 22 |
| 150 | 285 | 240 | 8 x M20 | 47 |
| 200 | 345 | 295 | 8 x M20 | 48 |
| 250 | 395 | 350 | 12 x M20 | 110 |
| 200 | 445 | 400 | 12 x M20 | 115 |
3. Ứng dụng Komax nước thải
Komax nước thải có rất nhiều ứng dụng phổ biến và đa dạng, bao gồm:
☑ Đo lưu lượng nước thải: Lắp đặt để đo lưu lượng nước thải trong các nhà máy xử lý nước thải. Nó giúp thống kê nước thải đầu ra và nước thô sản xuất, đồng thời cung cấp thông tin về các loại nước thải đã qua xử lý.
☑ Đo nước chưa qua xử lý và nước chứa tạp chất: Đo lượng nước chưa qua xử lý, nước chứa các loại tạp chất và cặn bẩn. Điều này giúp quản lý và kiểm soát chất lượng nước thải trong quá trình xử lý và giảm tác động tiêu cực đến môi trường.
☑ Ứng dụng trong môi trường dân dụng: Komax nước thải cũng được áp dụng trong các khu chung cư, nhà máy nước, hệ thống nước của toà nhà và môi trường dân dụng khác
☑ Lắp đặt sau các giếng khoan và máy bơm: Lắp đặt sau các giếng khoan, sau máy bơm hoặc giếng nước thô. Điều này giúp đo lường và kiểm soát lưu lượng nước thải trong các hệ thống cấp thoát nước và đảm bảo hiệu quả hoạt động của các thiết bị khác.
☑ Ứng dụng trong đo nước cho các công trình đô thị, nông thôn và hải đảo: Cung cấp thông tin quan trọng về lưu lượng nước thải, giúp quản lý và ứng phó với tình trạng sử dụng tài nguyên nước trong các khu vực đặc biệt này.

4. Thương hiệu Komax có uy tín không?
Thương hiệu Komax nổi tiếng trong lĩnh vực đo lường lưu lượng nước và đã có mặt trên thị trường từ lâu. Với hơn 40 năm kinh nghiệm và có danh tiếng tốt, Komax đã xây dựng được lòng tin của khách hàng bằng cách cung cấp các sản phẩm chất lượng cao.

Đồng hồ nước thải Komax được sản xuất và kiểm tra theo các tiêu chuẩn nghiêm ngặt, đảm bảo sự chính xác và độ tin cậy trong quá trình đo lường lưu lượng nước thải.
Bên cạnh đó, thương hiệu này còn cung cấp nhiều sản phẩm chất lượng khác như: Komax nước nóng nối bích
5. Mua Komax nước thải tại Vimi
Vimi là nhà cung cấp đáng tin cậy và uy tín về các thiết bị đo lường nói chung và đồng hồ nước thải nói riêng. Phân phối các sản phẩm đến từ nhiều thương hiệu nổi tiếng khác nhau, phải kể đến như:
Với nhiều năm kinh nghiệm và đội ngũ nhân viên chuyên nghiệp, Vimi cam kết cung cấp sản phẩm chất lượng và dịch vụ sau bán hàng tốt. Khách hàng có thể tìm hiểu thêm về Komax nước thải và các sản phẩm khác tại Vimi thông qua website Vimi.com.vn của công ty hoặc liên hệ trực tiếp với đội ngũ tư vấn để được hỗ trợ và tư vấn tốt nhất.




















Đánh giá
Chưa có đánh giá nào.