Sanwa Woltman nối bích là đồng hồ nước của Thái Lan, được sản xuất trên hệ máy móc hiện đại. Thiết bị được đánh giá cao về chất lượng và tính thẩm mĩ. Sanwa Wolman được ứng dụng tại nhiều hệ thống trên toàn thế giới, trong đó có Việt Nam.
1. Thông số kĩ thuật

| Parameter MWN-08 (IP68) | |||||||||||||||||||||||||||||
| Nominal diameter | DN | mm | 40 | 50 | 65 | 80 | 100 | 150 | 200 | 250 | 300 | ||||||||||||||||||
| Temperature class (operating temperature range) | T30 (0.1 to 30°C), T50 (0.1 to 50°C) | ||||||||||||||||||||||||||||
| Permanent flow rate | Q3 | m3/h | 25 | 40 | 63 | 100 | 160 | 400 | 630 | 1.000 | 1.600 | ||||||||||||||||||
| Overload flow rate | Q4 | m3/h | 31,25 | 50 | 78,75 | 125 | 200 | 500 | 787,5 | 1.250 | 2.000 | ||||||||||||||||||
| Transitional flow rate | Q2 | m3/h | 0,4 | 0,64 | 0,806 | 1 | 1,28 | 3,2 | 8,064 | 16 | 20,48 | ||||||||||||||||||
| Minimum flow rate | Q1 | m3/h | 0,25 | 0,4 | 0,504 | 0,625 | 0,8 | 2 | 5,04 | 10 | 12,8 | ||||||||||||||||||
| Starting flow | – | m3/h | 0,15 | 0,15 | 0,2 | 0,25 | 0,25 | 1,0 | 1,5 | 3 | 8 | ||||||||||||||||||
| Measurement range, R | Q3/Q1 | – | 100 | 100 | 125 | 160 | 200 | 200 | 125 | 100 | 125 | ||||||||||||||||||
| Coefficient | Q2 /Q1 | – | 1,6 | ||||||||||||||||||||||||||
| Maximum pressure loss | ∆P | kPa | ∆P10 | ∆P16 | ∆P40 | ∆P10 | ∆P25 | ∆P25 | ∆P16 | ∆P10 | ∆P10 | ||||||||||||||||||
| Flow profile sensitivity class | – | – | U0, D0 | ||||||||||||||||||||||||||
| Indicating range | – | m3 | 106 | 107 | |||||||||||||||||||||||||
| Resolution of reading | – | m3 | 0,0005 | 0,005 | 0,05 | ||||||||||||||||||||||||
| Maximum allowable pressure | Pmax | – | MAP16 = (16bar) | ||||||||||||||||||||||||||
| Operating pressure range | – | bar | 0.3 to 16 | ||||||||||||||||||||||||||
| Operating orientation | – | – | H, V | ||||||||||||||||||||||||||
| Maximum permissible error range: (Q2≤Q≤Q4) | ε | % | ± 2 for 0.1°C ≤ T ≤ 30°C cold water ± 3 T > 30°C water | ||||||||||||||||||||||||||
| Maximum permissible error range: (Q1 ≤ Q < Q2) | ε | % | ±5 | ||||||||||||||||||||||||||
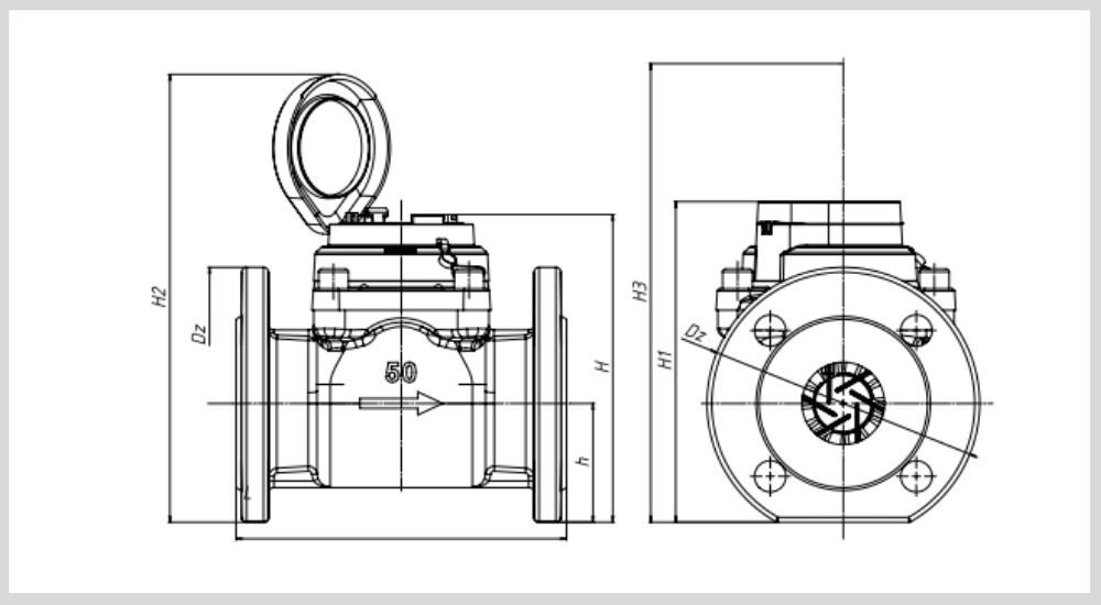
| Water meter length | L | mm | 200 | 200 | 200 | 225 | 250 | 300 | 350 | 450 | 500 | ||||||||||||||||||
| Overall length with flange | mm | 247 | 247 | 247 | 276 | 305 | 359 | 409 | 513 | 571 | |||||||||||||||||||
Dimensions | h | mm | 65 | 72 | 83 | 95 | 105 | 135 | 160 | 193 | 230 | ||||||||||||||||||
| H | mm | 179,5 | 186,5 | 197,5 | 218 | 228 | 350 | 375 | 422 | 489 | |||||||||||||||||||
| H1 | mm | 187,5 | 194,5 | 205,5 | 226 | 236 | 357 | 382 | 429 | 496 | |||||||||||||||||||
| H2 | mm | 264,5 | 271,5 | 282,5 | 303 | 313 | 434,1 | 459,1 | 506,1 | 573,1 | |||||||||||||||||||
| H3** | mm | 283 | 290 | 301 | 347,5 | 358 | 580 | 604 | 650 | 720 | |||||||||||||||||||
| DZ | mm | 150 | 165 | 185 | 200 | 220 | 285 | 340 | 400 | 460 | |||||||||||||||||||
| Water meter weight | kg | 7,9 | 9,9 | 10,6 | 13,3 | 15,6 | 40,1 | 51,1 | 75,1 | 103,1 | |||||||||||||||||||
| Overall weight with flange | kg | 12 | 15 | 18 | 21 | 24 | 58 | 76 | 112 | 148 | |||||||||||||||||||
Bảng: Thông số kĩ thuật Sanwa Woltman nối bích
2. Ưu điểm kết nối của Sanwa Woltman nối bích

Dưới đây là một số lợi ích của kết nối bích trong đồng hồ nước Sanwa Woltman:
✅ Chắc chắn và ổn định: Khi được gắn chặt với hệ thống ống nước, kết nối bích giữ cho đồng hồ nước vững chắc và không bị lỏng lẻo hay lung lay. Điều này đảm bảo rằng đồng hồ nước hoạt động một cách ổn định và đáng tin cậy trong mọi điều kiện.
✅ Chống rung lắc: Khi có các tác động rung động do dòng chảy nước mạnh hoặc hoạt động của hệ thống, kết nối bích giúp giữ cho đồng hồ nước ổn định và không bị ảnh hưởng bởi những rung động này.
✅ Thuận tiện khi sửa chữa: Kết nối bích gồm 3 phần, bao gồm: mặt bích, mặt bích đệm và bulông. Vì vậy, nếu một phần nào đó bị hỏng, thay vì phải tháo gỡ hoặc thay thế cả hệ thống, bạn chỉ cần tập trung vào phần bị hỏng
3. Có nên mua Sanwa Woltman nối bích không?

Có nên mua đồng hồ Sanwa Woltman nối bích hay không?
1️⃣ Được biết đây là một loại đồng hồ chất lượng cao được thiết kế và sản xuất theo tiêu chuẩn Châu Âu. Nó đã được chứng nhận bởi MID (Chỉ thị về dụng cụ đo lường) và đạt các tiêu chuẩn quốc tế như OIML R49 và ISO 4064, đảm bảo tính chính xác và độ tin cậy cao trong việc đo lường nước.
2️⃣ Một lợi thế khác của Sanwa Woltman mặt bích là tuổi thọ hoạt động lâu dài. Điều này giúp giảm tần suất bảo trì và thay thế, tối ưu hóa hiệu quả vận hành của hệ thống cấp nước. Bạn sẽ tiết kiệm được thời gian và công sức trong việc bảo trì và duy trì đồng hồ nước.
3️⃣ Đồng hồ Sanwa đạt cấp bảo vệ IP68, có khả năng chống sự xâm nhập của vật rắn và bụi hoàn toàn. Đồng thời, nó cũng có thể hoạt động bình thường dưới nước ở độ sâu khoảng 1m trong khoảng thời gian nhất định.

?Với chất lượng cao, tính chính xác và độ bền có thể khẳng định mua đồng hồ nước Sanwa Woltman nối bích là một lựa chọn tuyệt vời.
Tham khảo thêm đồng hồ nước Sanwa với kích cỡ khác: Sanwa SV25
4. Thương hiệu đồng hồ nước hàng đầu Thái Lan – Sanwa
Thương hiệu SANWA đã được thành lập từ năm 1991 và chuyên sản xuất các phụ kiện đường ống nước từ đồng thau. Với mục tiêu đáp ứng trực tiếp nhu cầu của người tiêu dùng về thiết bị cấp nước chất lượng cao và an toàn, Sanwa đã phát triển các sản phẩm đồng hồ nước.

Sanwa Woltman nối bích hay các loại đồng hồ nước khác của thương hiệu đều được thiết kế để có độ bền cao, tuổi thọ kéo dài. Sự an toàn của các sản phẩm được đảm bảo, giúp người tiêu dùng yên tâm trong việc sử dụng trong hệ thống cấp nước.

5. Vimi cung cấp Sanwa Woltman nối bích CHÍNH HÃNG & GIÁ RẺ

Vimi là đơn vị cung cấp sản phẩm Sanwa Woltman nối bích chính hãng với mức giá rẻ.
Với Vimi, bạn có thể yên tâm về nguồn gốc và chất lượng của sản phẩm mà bạn mua. Chúng tôi cam kết cung cấp các thiết bị chính hãng, được nhập khẩu trực tiếp từ nhà sản xuất.
Ngoài ra, Vimi cũng có đội ngũ nhân viên giàu kinh nghiệm và tận tâm, sẵn sàng tư vấn và hỗ trợ bạn trong việc chọn lựa sản phẩm phù hợp và đáp ứng nhu cầu của bạn.
Tham khảo thêm sản phẩm đến từ thương hiệu khác được Vimi cung cấp: Đồng hồ nước Wotech
















Đánh giá
Chưa có đánh giá nào.