Bản vẽ van bướm là gì? Đây là tài liệu quan trọng trong thiết kế và thi công hệ thống đường ống. Dù loại van này được sử dụng phổ biến, nhưng không phải ai cũng hiểu rõ ý nghĩa và cách đọc bản vẽ. Bài viết dưới đây sẽ giúp bạn nắm bắt đầy đủ thông tin để dễ dàng ứng dụng trong thực tế.
1. Bản vẽ van bướm là gì
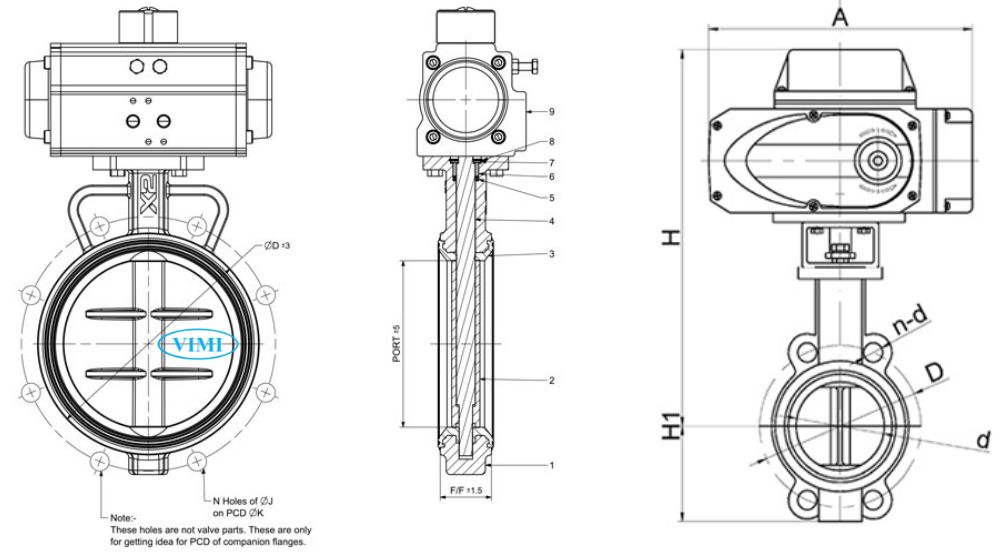
Để hiểu rõ cấu tạo và thông số kỹ thuật của van bướm, việc nắm bắt bản vẽ van bướm là điều rất quan trọng đối với cả nhà phân phối lẫn người sử dụng. Đây có thể là tài liệu in ấn hoặc tập tin kỹ thuật, trong đó thể hiện chi tiết kích thước như chiều cao, chiều dài, bề rộng, cùng với các thông tin cấu tạo của van, giúp việc lựa chọn và lắp đặt chính xác hơn.

2. Cấu trúc tiêu chuẩn bản vẽ van bướm là gì
Một bản vẽ van bướm tiêu chuẩn thường thể hiện đầy đủ các yếu tố chính gồm:
- Hình chiếu tổng thể
- Cấu tạo chi tiết
- Các kích thước cơ bản
- Phần chú thích làm rõ thông tin

3. Các loại bản vẽ van bướm
Tùy thuộc vào cơ cấu vận hành, bản vẽ van bướm được phân thành nhiều dạng khác nhau. Cụ thể:
3.1 Bản vẽ van bướm tay gạt
Bản vẽ van bướm tay gạt thường có cấu tạo đơn giản, thể hiện rõ cơ chế đóng mở bằng cần gạt

3.2 Bản vẽ van bướm tay quay
Trong bản vẽ van bướm tay quay, chi tiết nổi bật là hộp số trợ lực, giúp việc vận hành nhẹ nhàng hơn

3.3 Bản vẽ van bướm điện và khí nén
Ngoài các bộ phận cơ bản của van, bản vẽ van bướm điện và van bướm khí nén thể hiện thêm bộ truyền động tự động

4. Bản vẽ van bướm cad có đuôi .dwg
Giống như mọi bản vẽ cad khác, trong thiết kế kỹ thuật người ta thường sử dụng bản vẽ van bướm CAD, có định dạng là “dwg”. Để tham khảo cho loại bản vẽ này chúng tôi chia sẻ tới quý độc giả hình minh họa bản vẽ CAD dưới đây:

5. Chuyển đổi bản vẽ van bướm từ Autocad sang PDF
Trong nhiều trường hợp, bạn đang sở hữu bản vẽ van bướm ở định dạng Autocad nhưng không có phần mềm chuyên dụng để mở. Để thuận tiện cho việc chia sẻ và đảm bảo ai cũng có thể xem được nội dung, giải pháp tốt nhất là chuyển đổi bản vẽ sang định dạng PDF. Chỉ với một công cụ chuyển đổi online, bạn có thể nhanh chóng tạo file PDF từ Autocad và gửi cho khách hàng một cách dễ dàng.

- Bước 1 : Sau khi truy cập địa trên, chọn “ Select a DWG or DXF document “ rồi chọn file Autocad, có đuôi dạng “ .dwg “ từ máy tính của bạn
- Bước 2: Đợi chương trình tải file DWG thành công ( 100%), sau đó chọn “ Save as PFD “ để lưu file PDF đã chuyển đổi
Lưu ý: Hãy định dạng file Autocad, chỉ chứa phần bản vẽ cần xuất sang PDF để đọc dễ dàng hơn. Ngoài ra, chúng ta có thể in trực tiếp từ phần mềm Autocad sang PDF
6. Kết luận
Qua bài viết trên, bạn đã có được những thông tin cần thiết liên quan đến bản vẽ van bướm và cách đọc bản vẽ một cách đơn giản, dễ hiểu. Hy vọng rằng những kiến thức này sẽ giúp ích cho bạn trong quá trình nghiên cứu, lựa chọn và ứng dụng van bướm vào thực tế.

